CAISO Opens Bidding Process for $900M in Transmission Projects
Two Projects to Add More Than 105 Miles of Lines
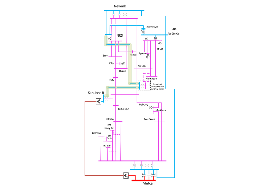
A schematic showing the San Jose B-NRS 230-kV line
A schematic showing the San Jose B-NRS 230-kV line | CAISO
|
CAISO is soliciting bids for two transmission projects in the San Francisco Bay Area to prepare the state for more projected data center load in the coming decade.

CAISO is soliciting bids for two transmission projects in the San Francisco Bay Area to prepare the state for more data center load anticipated in the coming decade.  

The projects are part of CAISO’s approved 2024/25 transmission plan, which includes 31 projects. Two of these projects are eligible for a competitive solicitation process — the 230-kV San Jose B-Northern Receiving Station (NRS) line and the 500-kV Metcalf-Manning line — CAISO said at a June 25 transmission planning workshop.  

The Metcalf substation, located in the South Bay Area, is one of the primary supply sources of energy for the San Francisco Bay Area. Load in the area is projected to increase 2.5 GW between 2026 and 2039 — or about 40% of the total load growth over those years. Most of the load growth will be from data centers, CAISO said.  

The Metcalf project includes about 100 miles of new 500-kV AC transmission line between the 500-kV Manning and Metcalf substations. The expected cost of the project is $500 million to $700 million, with a required completion date of June 1, 2034. The project is critical for maintaining reliability in a “major portion of the ISO-controlled grid,” CAISO said in the meeting. 

In the 2024/25 transmission plan, CAISO completed a study of constraints that might have a large impact on the bulk system or the heavily congested areas. The study found that minor congestion was observed on the recommended 500-kV Manning-Metcalf line, which indicates the high use of the 500-kV upgrade, CAISO said. 

The second project — the San Jose B project — is a new, 7-mile transmission line expected to cost $150 million to $200 million, with a planned in-service date of June 1, 2030. 

In less than three years, the load forecast in the San Jose area increased from 2,100 MW in the 2021/22 transmission plan to between 3,400 and 4,200 MW in the 2024/25 transmission plan. The San Jose B project will provide the extra energy. The project also will support two previously approved transmission projects in the area, which have designs that no longer are sufficient because of the increased load forecast. In the future, the San Jose B project will connect to a 115-kV load interconnection switching station owned by Pacific Gas and Electric. 

For this cycle’s bid process, CAISO revised certain parts of its application, including changes to its cost and cost-containment workbook and its project sponsor requirements. If only a single project sponsor is qualified for a project, that sponsor is automatically selected, CAISO said. 

CAISO/WEIMTransmission Planning